产品中心Product
一、概述
涡轮流量计集气体涡轮流量传感器与流量积算仪于一体,其工作原理是:当气流进入流量计时,先经过结构的整流器并加速,在流体的作用下,涡轮克服阻力矩和磨擦力矩开始转动。当力矩平衡时,转速稳定,涡轮的转速与气体流量成正比,并通过旋转的发讯盘上的磁体周期性地改变磁场,从而使脉冲发生器输出频率与流速成正比的脉冲信号。流量积算仪中的微处理器对脉冲信号进行计数并计算得到工况流量,并同时进行累积得到工况体积总量。流量计采用微功耗设计,内外电源自动切换工作,锂电池供电可使用五年以上。该产品适合于对工业用气体和城市燃气的工况体积流量和总量进行计量和或检测。
二、特点
2.1 采用仪表精密轴承,精度高,稳定性好。
2.2 精心设计的流道结构,避免了气流在轴承间的流动,涡轮流量计的介质适应性。
2.3 反推结构和密封结构设计,轴承长期运行
2.4 采用新型信号发生器,具有灵敏度高、始动流量低的优点。
2.5 机芯设计,互换性好、维护方便。
2.6 设计有整流性能优良的整流器,前后直管段要求很低(前≥2DN,后≥1DN)。
2.7 采用微功耗高新,凭内外电源均可工作,内电池可连续使用五年以上。
2.8 通过RS485 接口组成网络通信系统,可方便实现自动化管理。RS485 通信协议MODBUS规范。

三、主要技术参数
测量介质:气体(天然气、压缩空气、氧气、氮气、煤制气等);
公称通径:DN25~DN300mm(超出此范围可协议供货);
精度等级: 1.0级、1.5级(首选);
公称压力:1.6 MPa、2.5 MPa、4.0MPa(超出此范围可协议供货);
介质温度:-20℃~+80℃;
环境温度:-30℃~+50℃ 相对湿度:5%~95%
工作电源:3.6V锂电池; 24VDC;
输出信号:三线制脉冲输出、两线制 4-20mA输出;
通讯接口:RS485 ;
防护等级:IP55、IP65(其它防护等级协议供货);
防爆等级:ExdIIBT4,6
四、流量范围外形尺寸表格
|
仪表通径 |
代码 |
标准量程 |
代码 |
扩展量程 |
|
DN50 |
Q1 |
6-65m3/h |
K1 |
5-70m3/h |
|
Q2 |
10-100m3/h |
K2 |
8-100m3/h | |
|
DN80 |
Q1 |
13-250m3/h |
K1 |
10-160m3/h |
|
Q2 |
20-400m3/h |
K2 | ||
|
DN100 |
Q1 |
20-400m3/h |
K1 |
13-250m3/h |
|
Q2 |
32-650m3/h |
K2 |



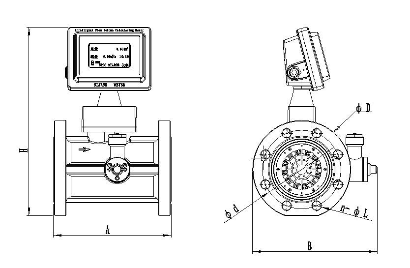
流量计外形尺寸
流量计采用法兰连接方式,法兰尺寸执行GB/T 9112~9113-2000标准,流量计外形见图
单位:mm
|
DN |
A |
B |
H |
D |
n |
L |
|
25 |
180 |
115 |
320 |
115 |
4 |
14 |
|
32 |
180 |
135 |
32 |
135 |
4 |
14 |
|
40 |
200 |
145 |
330 |
145 |
4 |
18 |
|
50 |
200 |
165 |
330 |
165 |
4 |
18 |
|
80 |
240 |
200 |
360 |
200 |
8 |
18 |
|
100 |
300 |
220 |
376 |
220 |
8 |
18 |
|
150 |
500 |
270 |
400 |
270 |
8 |
22 |
|
200 |
300 |
340 |
450 |
340 |
12 |
22 |