产品中心Product
|
参数 |
指标 |
参数 |
指标 |
|
量程范围 |
0~60MPa 可定制 |
精度等级
|
0.5%F.S
|
|
过载压力 |
150%F.S |
信号传输 |
NB-IoT
|
|
电源电压 |
3.6V |
电池容量 |
19Ah |
|
工作温度 |
-30-70℃ |
储存温度 |
-40~85℃ |
|
工作频段 |
Band5 或Band8
|
无线协议 |
LWM2M+CoAP,
UDP |
|
采集间隔
|
1-3600 秒可设置 |
上传间隔 |
1-3600 秒或特
殊定制 |
|
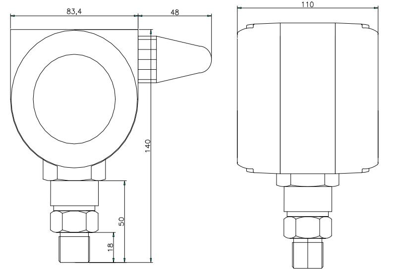
安装螺纹 |
M20*1.5 |
接口材质
|
不锈钢
|
