产品中心Product
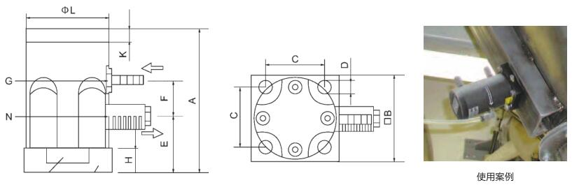
结构
铝制壳体,抗腐蚀,含有特殊润滑脂;长寿命保证,适应不同的应用场合。
产品特点
• 功率大,少量润滑,安静。
• 标称频率43-146次/秒
• 振动力150-2039牛顿
• 频率及振幅连续可调(调节气压)
• 最高使用温度:150℃
• 可定做200℃
• 可用于极端恶劣环境
典型应用
• 振动
• 清空
• 输送
• 冲散及拍实
性能参数

尺寸表
